零基础理解 Schrödinger 方程!
cancan123456
·
·
学习·文化课
鉴于洛谷专栏区已经出现了相对论入门、多元微分学、线性代数、恒星测量学等等优质专栏,我们认为缺少量子力学入门属于值得解决的问题,于是我们就写了这篇专栏.如果有人想跟我们一起学量子力学那就更好了!
本文的结构参考了 Modern Quantum Mechanics [J. J. Sakurai & J. Napolitano] 2rd ed 的前两章.
数学基础
量子力学里,一个系统的状态是 Hilbert 空间 \mathcal{H} 中的矢量,Hilbert 空间是完备的内积空间,不过我们不用管这是什么,只需要知道,这种矢量写作 |x\rangle,称作 右矢(ket),其中 x 只是一个代号,可以任取.线性空间中当然有零矢量,记作 |0\rangle,也称作 零右矢(null ket).
矢量可以运算.就像三维空间的矢量一样,矢量可以数乘.Hilbert 空间是复数域 \mathbb{C} 上的线性空间,也就是说右矢应当与复数相乘,记作 \lambda |x\rangle 或 |\lambda x\rangle,其中 \lambda\in\mathbb{C}.量子力学的假设之一是:只要 \lambda 非零,\lambda |x\rangle 与 |x\rangle 表示的状态是相同的.换句话说,我们只关心线性空间中的方向.数学家们会说,我们处理的是“射线”而非“矢量”.有时候 \lambda 也被称作物理态的相位,尽管表示的状态相同,但 \lambda 仍有其物理意义.
矢量也可以加减法,两个右矢 |x\rangle, |y\rangle 加减法的结果是 |x\rangle+|y\rangle 与 |x\rangle-|y\rangle.
两个右矢 |x\rangle 与 |y\rangle 之间存在 内积(inner product) 运算,结果记作 \langle x|y\rangle,通常是一个复数.按 Hilbert 内积空间的要求,内积运算具有如下有趣的性质:
\langle x|y\rangle^\ast=\langle y|x\rangle
其中 \ast 表示复数共轭,并且内积运算关于两个参数 线性,若 |c\rangle=\lambda_1|a\rangle+\lambda_2|b\rangle,那么 \langle x|c\rangle=\lambda_1\langle x|a\rangle+\lambda_2\langle x|b\rangle,其中 \lambda_1,\lambda_2\in\mathbb{C}.
除此之外,内积满足 正定性(positive definiteness):
\langle\alpha|\alpha\rangle \ge 0
取等条件为 |\alpha\rangle = |0\rangle.注意,上式蕴含着 \langle\alpha|\alpha\rangle \in \R.
如果我们把上面内积运算里 \langle x| 拿出来,将其看作 \mathcal{H}\to\mathbb{C} 的线性映射,我们就得到了对偶空间 \mathcal{H}^\ast 中的元素,称作左矢或 bra.Riesz 表示定理告诉我们,左矢与右矢是一一对应的,因此我们称 \langle x| 与 |x\rangle 对偶(dual).
值得一提的是,c_\alpha|\alpha\rangle + c_\beta|\beta\rangle 的对偶矢量是 c_\alpha^\ast\langle\alpha| + c_\beta^\ast\langle\beta|,读者应当尝试自行验证.
若 \langle\alpha|\beta\rangle = 0,称 |\alpha\rangle 与 |\beta\rangle 正交(orthogonal).
有了内积,就可以定义 |\alpha\rangle 的 模(norm) 为 \sqrt{\langle\alpha|\alpha\rangle},定义非零矢量 |\alpha\rangle 的 归一化右矢(normalized ket) |\tilde\alpha\rangle 为
|\tilde\alpha\rangle = \left(\frac1{\sqrt{\langle\alpha|\alpha\rangle}}\right)|\alpha\rangle
显然,\langle\tilde\alpha|\tilde\alpha\rangle = 1.
在量子力学中,可观测量(observable)(比如位置、动量、自旋)是由 算子 / 算符(operator) 表示的,算符从左侧作用于右矢:
A \cdot (|\alpha\rangle) = A |\alpha\rangle
结果是另一个右矢.
通常来说,若 |\alpha\rangle 不是零右矢,那么 A|\alpha\rangle 一般不是 |\alpha\rangle 的倍数.但如果这种情况发生,那么 |\alpha\rangle 就是 A 的 本征右矢(eigenket),记作
|a'\rangle, |a''\rangle, |a'''\rangle, \dots
且满足
A|a'\rangle = a'|a'\rangle, A|a''\rangle = a''|a''\rangle, A|a'''\rangle = a'''|a'''\rangle, \dots
其中 a', a'', a''', \dots 只是一些数,称作 A 的 本征值(eigenvalue),对应于本征右矢的物理状态称作 本征态(eigenstate).熟悉特征向量、特征值的读者或许会想起什么.
算符之间的相等关系服从 Leibniz 相等性:若 X, Y 满足
\forall |\alpha\rangle: X|\alpha\rangle = Y|\alpha\rangle
那么称 X = Y.
算符之间可以相加:
(X + Y)|\alpha\rangle = (X|\alpha\rangle) + (Y|\alpha\rangle)
显然,加法满足交换律、结合律.也可以相乘
(XY)|\alpha\rangle = X(Y|\alpha\rangle)
乘法一般不满足交换律,但满足结合律.
我们不考虑时间反演算符一类的反线性算符,因此算符具有线性性:
X(c_\alpha |\alpha\rangle + c_\beta |\beta\rangle) = c_\alpha \cdot (X|\alpha\rangle) + c_\beta \cdot (X|\beta\rangle)
算符也能从右侧作用于左矢:
(\langle\alpha|) \cdot A = \langle\alpha|A
结果也是一个左矢.通常而言,\langle\alpha|A 与 A|\alpha\rangle 并不对偶,但对于每个 A,存在一个算符 A^\dag 满足 \langle\alpha|A^\dag 与 A|\alpha\rangle 对偶.A^\dag 称作 A 的 Hermite 共轭(Hermitian adjoint).
注意英文里有两个伴随,一个是 adjugate 一个是 adjoint,含义不同.
若 A = A^\dag,那么称 A 是 Hermite 矩阵(Hermitian matrix).
读者可以验证,(XY)^\dag = Y^\dag X^\dag,此外,Hermite 共轭具有线性性:
(c_X X + c_Y Y)^\dag = c_X^\ast X^\dag + c_Y^\ast Y^\dag
截至目前,我们有四种乘积,内积、算符从左/右侧作用于右矢/左矢、算符自身的乘积.但还有一种乘积:|\beta\rangle\langle\alpha|,称作 外积(outer product),结果是一个算符.
几乎所有有研究价值的运算(不包括减法、除法一类的逆运算)都满足结合律,量子力学也不例外,我们将其称作 结合性公理(axiom of associativity).
例外包括但不限于:浮点数加法、幂运算、八元数、Lie 括号 [x, y],而实际上本文就会遇到一种 Lie 括号……
结合性公理的第一个应用是给出外积的定义.|\beta\rangle\langle\alpha| 作为一个算符,自然可以从左侧作用于右矢 |\gamma\rangle:
(|\beta\rangle\langle\alpha|) \cdot |\gamma\rangle
此时运用结合性公理:
(|\beta\rangle\langle\alpha|) \cdot |\gamma\rangle = |\beta\rangle \cdot (\langle\alpha|\gamma\rangle)
此时,\langle\alpha|\gamma\rangle 就是内积,结果是一个复数,因此 |\beta\rangle \cdot \langle\alpha|\gamma\rangle 就是右矢 |\beta\rangle 的 \langle\alpha|\gamma\rangle 倍,这就是外积算符的定义,读者可以尝试自行给出外积作用于左矢的定义.
不难证明,若
X = |\alpha\rangle\langle\beta|
则
X^\dag = |\beta\rangle\langle\alpha|
证明留做习题.
结合性公理的第二个应用是如下表达式:
(\langle\beta|X) \cdot |\alpha\rangle = \langle\beta| \cdot (X|\alpha\rangle)
等式两侧都是内积,既然二者相等,我们就可以以更紧凑的形式写出该表达式:
\langle\beta|X|\alpha\rangle
这个表达式在量子力学中经常出现.同时,可以验证:
\begin{aligned}\langle\beta|X|\alpha\rangle^\ast &= [\langle\beta| \cdot (X|\alpha\rangle)]^\ast \\ &= \langle\alpha|X^\dag|\beta\rangle\end{aligned}
若 X 是 Hermite 算符,则
\langle\beta|X|\alpha\rangle = \langle\alpha|X|\beta\rangle^\ast
基右矢与矩阵表示
定理 1.Hermite 算符 A 的本征值都是实数,且本征值不同的本征右矢正交.
recall that 本征值 = 特征值,本征右矢 = 特征向量,正交 = 内积为零.
证明.设
A|a'\rangle = a'|a'\rangle\tag{1}
因为 A 是 Hermite 算符,所以
A|a''\rangle = a''|a''\rangle \implies \langle a''|A = a''^\ast\langle a''|\tag{2}
$$\langle a''|A|a'\rangle = a'\langle a''|a'\rangle$$
$$\langle a''|A|a'\rangle = a''^\ast\langle a''|a'\rangle$$
二式相减,得
$$(a' - a''^\ast)\langle a''|a'\rangle = 0$$
现在,$|a'\rangle$ 与 $|a''\rangle$ 可以是相同的本征右矢,也可以是不同的.若取相同的本征右矢,那么 $\langle a'|a'\rangle > 0$,由此可得 $a' = a'^\ast$,即 $a'\in\R$.
若本征右矢 $|a'\rangle, |a''\rangle$ 对应的本征值不同,即 $a' \ne a''$,那么 $a' - a''^\ast = a' - a''$ 不可能为零,因此内积 $\langle a''|a'\rangle$ 一定为零,$|a'\rangle, |a''\rangle$ 正交.$\quad\square
在引入测量公理后,我们会看到 定理 1 的重要性——它保证我们得到的测量值一定是实数.
下面我们假设本征右矢都是归一化的,也就是说:
\langle a''|a'\rangle = \delta_{a' a''}
(细心的读者会发现我们假定了特征值的重数是 1——不必担心是几何重数还是代数重数,Hermite 算符保证二者相等.)同时,我们假设本征右矢是 完备的(complete),也就是说,这组右矢张成了整个线性空间,并构成线性空间的一组 正交归一基(orthonormal basis).
熟悉线性代数的读者会立即指出,本征右矢的完备性意味着,给定任意右矢 |\alpha\rangle,存在一组系数 c_{a'}, c_{a''}, c_{a'''}, \dots,使得
|\alpha\rangle = \sum_{a'} c_{a'} |a'\rangle
只需左乘 \langle a'|,我们就能求出系数(同样,读者应尝试自行验证):
c_{a'} = \langle a'|\alpha\rangle
把系数放回原式,我们得到
|\alpha\rangle = \sum_{a'} (\langle a'|\alpha\rangle) \cdot |a'\rangle = \sum_{a'} |a'\rangle \langle a'|\alpha\rangle
(这让人想起 \bold{V} = \sum_i \hat{\bold{e}}_i (\hat{\bold{e}_i} \cdot \bold{V}),不是吗?)使用结合性公理,我们得到:
|\alpha\rangle = \sum_{a'} |a'\rangle \langle a'|\alpha\rangle = \left(\sum_{a'} |a'\rangle \langle a'|\right)|\alpha\rangle
注意到,上式对任意右矢成立.括号内的 \sum_{a'} |a'\rangle \langle a'| 可以看作多个外积算符之和,也是一个算符,该算符满足
\sum_{a'} |a'\rangle \langle a'| = 1
右侧的 1 意味着 单位算符(unitary operator),定义为 1 |\alpha\rangle = |\alpha\rangle.
读者在学习量子力学时,请务必记住上面这个等式.该等式的应用之一是用 c_{a'} 表示 \langle\alpha|\alpha\rangle:
\begin{aligned}\langle\alpha|\alpha\rangle &= \langle\alpha|1|\alpha\rangle = \langle\alpha|\left(\sum_{a'} |a'\rangle \langle a'|\right)|\alpha\rangle \\ &= \sum_{a'} \langle\alpha|a'\rangle \langle a'|\alpha\rangle = \sum_{a'} \langle\alpha|a'\rangle \langle\alpha|a'\rangle^\ast = \sum_{a'} |\langle\alpha|a'\rangle|^2 \\ &= \sum_{a'} |c_{a'}|^2\end{aligned}
有时我们称 |a'\rangle\langle a'| 为投影算符 \Lambda_{a'},因为该算符从 |\alpha\rangle 中选出与 |a'\rangle 平行的分量:
\Lambda_{a'}|\alpha\rangle = c_{a'}|\alpha\rangle
接下来我们讨论算符的矩阵表示.对于任意算符 X 而言
X = \sum_{a'}\sum_{a''}|a''\rangle\langle a''|X|a'\rangle\langle a'|
若 N 是线性空间的维度,那么求和共有 N^2 项,我们已经看到 |\alpha\rangle 类似于向量,那么 X 是否类似于矩阵?或者说,我们将 X 写成如下形式(\langle a^{(i)}|X|a^{(j)}\rangle 位于第 i 行第 j 列):
X = \begin{pmatrix}\langle a^{(1)}|X|a^{(1)}\rangle & \langle a^{(1)}|X|a^{(2)}\rangle & \cdots \\ \langle a^{(2)}|X|a^{(1)}\rangle & \langle a^{(2)}|X|a^{(2)}\rangle & \cdots \\ \vdots & \vdots & \ddots\end{pmatrix}
联想到
\langle a''|X|a'\rangle = \langle a'|X^\dag|a''\rangle^\ast
不难发现,前文定义的 Hermite 伴随,实际上就是 复共轭转置(complex conjugate transpose),如果 X 是 Hermite 算符,那么 X 的矩阵表示就是一个 Hermite 矩阵.
既然如此,算符的乘法、矩阵表示的乘法是否有联系?或者说,设
Z = XY
那么 X, Y, Z 的矩阵表示之间存在什么联系?首先写出 Z 的矩阵元:
\langle a''|Z|a'\rangle = \langle a''|XY|a'\rangle
然后利用 \sum_{a'} |a'\rangle\langle a'| = 1,得到
\langle a''|Z|a'\rangle = \sum_{a'''}\langle a''|X|a'''\rangle\langle a'''|Y|a'\rangle
正是矩阵乘法的定义.
接下来我们继续考察乘法,考虑 |\gamma\rangle = X|\alpha\rangle,显然有:
\langle a'|\gamma\rangle = \langle a'|X|\alpha\rangle = \sum_{a''} \langle a'|X|a''\rangle\langle a''|\alpha\rangle
如果我们把右矢写成列向量:
|\alpha\rangle = \begin{pmatrix}\langle a^{(1)}|\alpha\rangle \\ \langle a^{(2)}|\alpha\rangle \\ \langle a^{(3)}|\alpha\rangle \\ \vdots\end{pmatrix}, |\gamma\rangle = \begin{pmatrix}\langle a^{(1)}|\gamma\rangle \\ \langle a^{(2)}|\gamma\rangle \\ \langle a^{(3)}|\gamma\rangle \\ \vdots\end{pmatrix}
那么上式就变成矩阵左乘列向量.类似地,若
\langle\gamma| = \langle\alpha|X
那么
\langle\gamma|a'\rangle = \sum_{a''} \langle\alpha|a''\rangle \langle a''|X|a'\rangle
所以,左矢应当看作行向量:
\begin{aligned}\langle\gamma| &= (\langle\gamma|a^{(1)}\rangle, \langle\gamma|a^{(2)}\rangle, \langle\gamma|a^{(3)}\rangle, \dots) \\ &= (\langle a^{(1)}|\gamma\rangle^\ast, \langle a^{(2)}|\gamma\rangle^\ast, \langle a^{(3)}|\gamma\rangle^\ast, \dots)\end{aligned}
也就是说,右矢的对偶矢量的矩阵表示,正是右矢的矩阵表示的共轭转置.
然后我们考虑内积:
\begin{aligned}\langle\beta|\alpha\rangle &= \sum_{a'} \langle\beta|a'\rangle\langle a'|\alpha\rangle \\ &= (\langle a^{(1)}|\beta\rangle^\ast, \langle a^{(2)}|\beta\rangle^\ast, \langle a^{(3)}|\beta\rangle^\ast, \dots) \begin{pmatrix}\langle a^{(1)}|\alpha\rangle \\ \langle a^{(2)}|\alpha\rangle \\ \langle a^{(3)}|\alpha\rangle \\ \vdots\end{pmatrix}\end{aligned}
正是两个向量之间的内积.
最后是外积,容易验证:
|\beta\rangle\langle\alpha| = \begin{pmatrix}\langle a^{(1)}|\beta\rangle \langle a^{(1)}|\alpha\rangle^\ast & \langle a^{(1)}|\beta\rangle \langle a^{(2)}|\alpha\rangle^\ast & \cdots \\ \langle a^{(2)}|\beta\rangle \langle a^{(1)}|\alpha\rangle^\ast & \langle a^{(2)}|\beta\rangle \langle a^{(2)}|\alpha\rangle^\ast & \cdots \\ \vdots & \vdots & \ddots\end{pmatrix}
以及一个有趣的话题,算符 A 自身的矩阵表示:
\langle a''|A|a'\rangle = a'\langle a''|a'\rangle = a'\delta_{a'' a'}
因此算符 A 的矩阵表示是一个对角矩阵,由此可得:
A = \sum_{a'} a' \Lambda_{a'}
自旋 \frac12 系统
现在,我们将学到的知识应用到实践中.量子力学中最简单的(非平凡)系统可能是自旋 \frac12 系统,因为其维度 N = 2.
首先我们看一个实验(Stern-Gerlach 实验)
在熔炉中加热银原子,经过准直器后,在非均匀磁场中穿行,然后在观测屏上显示图像.
银原子具有磁矩,磁矩 \bm \mu 正比于最外层电子的轨道角动量 \bf S,也就是说(精确的比例系数约为 e / m_e c,其中 e < 0):
\bm \mu \propto \bf S
不熟悉电磁学的读者可以将磁矩想象为原子大小的磁铁.众所周知,磁矩在磁场中能量为 -\bm \mu \cdot \bm B,假设图中上下方向为 z 方向,则 z 方向受力为
F_z = \mu_z \frac{\partial B_z}{\partial z}
因此,可以粗略地认为银原子在观测屏上的位置取决于 \mu_z 的大小.按经典力学,在加热后银原子磁矩方向应当是随机的,也就是说 \bm \mu 的方向随机,因此 \mu_z 应当也是随机的,银原子应当形成竖直的线段.
但实际上,实验表明银原子的 \mu_z 只表现出两种取值,由此计算出 S_z 也只有两种取值,\pm \hbar / 2,其中
\hbar = 1.05457182\times10^{-34}\ \rm J\cdot s
高中阶段的读者或许不熟悉这个常数,但如果我们将其乘上 2\pi……
h = 2 \pi \hbar = 6.62607015\times10^{-34}\ \rm J\cdot s
正是 Planck 常数(Planck's constant).
不仅如此,我们还可以进行序列 Stern-Gerlach 实验.假设银原子沿 y 轴运动,那么我们可以在 x 与 z 等等方向将银原子束分成两束,并连续进行 Stern-Gerlach 实验:
图中第三个实验说明,对 S_x 的测量完全摧毁了先前关于 S_z 的信息.或者说:我们不能 同时 确定 S_z 与 S_x 的值.
具有惊人注意力的读者可以注意到:上述实验与光的偏振具有一定的类似性.若将 S_z+ 与 S_z- 看作 x 偏振光与 y 偏振光,那么 Stern-Gerlach 装置本质上就是分束器.
具体来说,x 偏振光与 y 偏振光的电场分量分别为
\bm E = E_0 \bm{\hat x} \cos(kz - \omega t)
\bm E = E_0 \bm{\hat y} \cos(kz - \omega t)
那么 S_x+ 与 S_x- 怎么处理?只需要将 x, y 轴旋转 45\degree 即可:
现在,由于
\bm{\hat x}' = \frac1{\sqrt2} (\bm{\hat x} + \bm{\hat y})
\bm{\hat y}' = \frac1{\sqrt2} (-\bm{\hat x} + \bm{\hat y})
设通过 \rm SG\hat z 后,两束银原子的状态分别为 |S_z; +\rangle, |S_z; -\rangle,那么不难猜测:
|S_x; +\rangle = \frac1{\sqrt2}|S_z; +\rangle + \frac1{\sqrt2}|S_z; -\rangle
|S_x; -\rangle = -\frac1{\sqrt2}|S_z; +\rangle + \frac1{\sqrt2}|S_z; -\rangle
直到现在,我们的讨论都忽略了 S_y 分量,但是银原子处于三维空间中,必定有 S_y 分量,那么我们如何表示 S_y\pm 态?不难想到,若一套 SG 装置中只包含 \rm SG\hat y, SG\hat z,那么其实验结果应当与 \rm SG\hat x, SG\hat z 的装置相同.注意力惊人的读者可以注意到:左旋/右旋圆偏振光就满足这个要求:
\bm E = E_0 \left[\frac1{\sqrt2}\bm{\hat x} \cos(kz - \omega t) + \frac1{\sqrt2}\bm{\hat y} \cos\left(kz - \omega t + \frac\pi2\right)\right]
\bm E = E_0 \left[\frac1{\sqrt2}\bm{\hat x} \cos(kz - \omega t) - \frac1{\sqrt2}\bm{\hat y} \cos\left(kz - \omega t + \frac\pi2\right)\right]
那么,我们如何表示 \cos 中的 +\frac\pi2?电磁学中,我们使用复振幅表示圆偏振光:
\bm\epsilon = \left[\frac1{\sqrt2}\bm{\hat x} e^{\mathrm i(kz - \omega t)} + \frac{\mathrm i}{\sqrt2}\bm{\hat y} e^{\mathrm i(kz - \omega t)} \right]
那么 \bm E = \Re(\bm\epsilon) E_0,其中 \Re 表示取复数向量的实部.因此我们进行类比:
|S_y; \pm\rangle = \frac1{\sqrt2}|S_z; +\rangle \pm \frac{\mathrm i}{\sqrt2} |S_z; -\rangle
现在,简便起见我们将 |S_z; \pm\rangle 简写成 |\pm\rangle,由此可知:
1 = |+\rangle\langle+| + |-\rangle\langle-|
算符 S_z 的本征右矢、本征值为
S_z|\pm\rangle = \pm\frac\hbar2|\pm\rangle
因此
S_z = \frac\hbar2\Big[|+\rangle\langle+| - |-\rangle\langle-|\Big]
接下来可以定义角动量升降算符 S_+, S_-:
S_+ = \hbar |+\rangle\langle-|, \quad S_- = \hbar |-\rangle\langle+|
显然,这两个算符都不是 Hermite 算符.S_+ 算符作用于 |-\rangle 得到 |+\rangle,作用于 |+\rangle 得到零右矢;S_- 算符类似.
如果要写出其矩阵形式,我们通常把 |+\rangle 放在第一分量,把 |-\rangle 放在第二分量,即从小到大角动量依次增加:
|+\rangle = \begin{pmatrix}1\\0\end{pmatrix}, \quad |-\rangle = \begin{pmatrix}0\\1\end{pmatrix},
S_z = \frac\hbar2\begin{pmatrix}1&0\\0&-1\end{pmatrix}, \quad S_+ = \hbar\begin{pmatrix}0&1\\0&0\end{pmatrix}, \quad S_- = \hbar\begin{pmatrix}0&0\\1&0\end{pmatrix}
测量、可观测量、不确定性关系
A measurement always causes the system to jump into an eigenstate of the dynamical variable that is being measured. —— P. A. M. Dirac
我们讨论测量后量子态发生了什么变化.设有一个量子态
|\alpha\rangle = \sum_{a'} c_{a'} |a'\rangle = \sum_{a'} |a'\rangle\langle a'|\alpha\rangle
在对可观测量 A 进行测量后,|\alpha\rangle 的状态将变为(也称作坍缩为)A 的某个本征右矢 |a'\rangle.量子力学的假设之一(Born 定则)告诉我们这种情况发生的概率:
P(|\alpha\rangle \to |a'\rangle) = |c_{a'}|^2
所有情况概率之和应当为 1,这等价于 |\alpha\rangle 的模是 1.显然,对某个本征右矢 |a'\rangle 进行测量后,仍然得到 |a'\rangle,这就解释了第一个序列 Stern-Gerlach 实验(连续用 \rm SG\hat z 筛选).
测量 A 的结果的期望值记作 \langle A\rangle,为了避免混淆,将 |\alpha\rangle 对应的期望值记作 \langle A\rangle_\alpha.可以证明 \langle A\rangle = \langle\alpha|A|\alpha\rangle,证明如下:
\begin{aligned}\langle\alpha|A|\alpha\rangle &= \sum_{a', a''}\langle\alpha|a'\rangle\langle a'|A|a''\rangle\langle a''|\alpha\rangle \\ &= \sum_{a', a''} a' \delta_{a' a''} \langle\alpha|a'\rangle \langle a''|\alpha\rangle \\ &= \sum_{a'} a' |\langle a'|\alpha\rangle|^2\end{aligned}
正是期望值的定义.
当然,现实中的测量不能完全精确地得到结果.不精确测量远超本文的内容;若读者对其感兴趣,请查询 POVM(Positive Operator Valued Measure,正定算子取值测量)的相关内容.
现在我们回到自旋 \frac12 系统.我们来利用测量公理较为严格地确定 |S_x; \pm\rangle 与 |S_y; \pm\rangle.
根据序列 Stern-Gerlach 实验的结果,我们知道 S_x+ 态经过 \rm SG\hat z 测量后,会随机处于 |S_z; \pm\rangle 中(简写为 |\pm\rangle),且概率相等,换句话说:
|\langle+|S_x; +\rangle| = |\langle-|S_x; +\rangle| = \frac1{\sqrt2}
由此可得
|S_x; +\rangle = \frac1{\sqrt2} c_+ |+\rangle + \frac1{\sqrt2} c_- |-\rangle
其中 c_+, c_-\in\mathbb C(不要忘记我们正在讨论复线性空间)|c_+| = |c_-| = 1.我们约定过,右矢与任意非零复数相乘,表达的物理含义一致.因此我们(按约定)将上式除以 c_+ 的结果作为 |S_x; +\rangle,变为
|S_x; +\rangle = \frac1{\sqrt2} |+\rangle + \frac1{\sqrt2} \frac{c_-}{c_+} |-\rangle
根据高中数学,\left|\dfrac{c_-}{c_+}\right| = \dfrac{|c_-|}{|c_+|} = 1,不妨将其写成 e^{\mathrm i \delta_1} 的形式,得到
|S_x; +\rangle = \frac1{\sqrt2}|+\rangle + \frac1{\sqrt2} e^{\mathrm i \delta_1} |-\rangle
$$|S_x; -\rangle = \frac1{\sqrt2}|+\rangle - \frac1{\sqrt2} e^{\mathrm i \delta_1} |-\rangle$$
同样,按照约定我们将相位因子 $e^{\mathrm i\delta_1}$ 放在 $|-\rangle$ 上.此时不难求出
$$S_x = \frac\hbar2 \left[e^{-\mathrm i \delta_1}|+\rangle\langle-| + e^{\mathrm i \delta_1}|-\rangle\langle+|\right]$$
对于 $S_y$,同理可得
$$|S_y; \pm\rangle = \frac1{\sqrt2}|+\rangle \pm \frac1{\sqrt2} e^{\mathrm i \delta_2} |-\rangle$$
$$S_y = \frac\hbar2 \left[e^{-\mathrm i \delta_2}|+\rangle\langle-| + e^{\mathrm i \delta_2}|-\rangle\langle+|\right]$$
我们如何确定 $\delta_1, \delta_2$?注意到, $S_x$ 的本征态在进行 $S_y$ 测量后,坍缩为 $S_y\pm$ 的概率也应当均为 $\dfrac12$,也就是说
$$|\langle S_x; \pm|S_y; \pm\rangle| = \frac1{\sqrt2}$$
简单的代数运算告诉我们:
$$\frac12 \left|1 \pm e^{\mathrm i (\delta_1 - \delta_2)}\right| = \frac1{\sqrt2} \implies |\delta_2 - \delta_1| = \frac\pi2$$
按照惯例,我们取 $\delta_1 = 0$,但是 $\delta_2$ 仍然有两个取值:$\pm\frac\pi2$.由于我们采用右手坐标系,我们应当取 $\delta = \frac\pi2$(为何选择 $\frac\pi2$ 超出了本文的范围).现在我们总结一下:
$$S_x = \frac\hbar2\Big[|+\rangle\langle-| + |-\rangle\langle+|\Big]$$
$$S_y = \frac\hbar2\Big[-\mathrm i|+\rangle\langle-| + \mathrm i|-\rangle\langle+|\Big]$$
希望上述讨论能让渴望严谨性的读者感到满意(~~如果还不满意我们也没招了~~),同时,自旋 $\frac12$ 系统向我们证明:即使在如此简单的系统中,也有必要在量子力学中引入复数.
还记得我们引入的升降算符吗?容易看出
$$S_\pm = S_x \pm \mathrm i S_y$$
下面我们引入 **对易子 / 交换子(commutator)** 与 **反对易子(anticommutator)**,若 $A, B$ 是两个算符,则其对易子 $[A, B]$ 与其反对易子 $\{A, B\}$ 定义为
$$[A, B] = AB - BA, \quad \{A, B\} = AB + BA$$
> 是否还记得我们说过本文里会出现一个 Lie 括号?对易子就是一种 Lie 括号.
可以验证,$S_x, S_y, S_z$ 满足如下条件:
$$[S_i, S_j] = \sum_{k=1}^3 \mathrm i \hbar \epsilon_{i j k} S_k$$
$$\{S_i, S_j\} = \frac12 \hbar^2 \delta_{ij}$$
第一个等式中 $\epsilon_{i j k}$ 表示 Levi-Civita 符号:若 $(i j k)$ 不是排列,则 $\epsilon_{i j k} = 0$;否则,若 $(i j k)$ 逆序对数为偶数,则 $\epsilon_{i j k} = 1$;否则 $\epsilon_{i j k} = -1$.且 $S_1, S_2, S_3$ 分别表示 $S_x, S_y, S_z$.
三个 $S_i$ 的对易子并非自旋 $\frac12$ 系统所独有,但其反对易子并非如此.我们还可以定义一个算符,通常写作 $\bm S^2$:
$$\bm S^2 = S_x^2 + S_y^2 + S_z^2$$
实际上,由 $S_i$ 反对易子可得 $\bm S^2 = \frac34\hbar^2$,自然有:
$$[\bm S^2, S_i] = 0$$
原书第三章中出现了上式的推广,快去看看吧(~~才没有给 Sakurai 打广告~~).
接下来我们讨论对易子的应用.设 $A$ 与 $B$ 是可观测量,若
$$[A, B] = 0$$
则称 $A$ 与 $B$ 是 **相容(compatible)** 可观测量,否则称其为 **不相容(incompatible)** 可观测量.下面我们讨论这两种关系.
先考虑相容可观测量 $A, B$,取多个可观测量的一个很重要的原因是:我们前文中一直忽略的 **简并性(degeneracy)**,即多个本征右矢可以具有相同的本征值,此时我们称这些本征右矢 / 本征值 **简并(degenerate)**.如果 $A$ 的本征右矢出现了简并,我们就不能仅通过本征值确定本征右矢,一种补救措施是利用再来一个可观测量 $B$,尝试用 $A$ 与 $B$ 的本征值共同确定本征右矢.
但 $A, B$ 需要满足一些条件,为了找出这个条件(熟悉线性代数的同学应该想起来了“可同时对角化”这个概念),我们先来看一个定理.
**定理 2**.若 $A$ 的本征值不简并,那么 $B$ 的矩阵表示 $\langle a''|B|a'\rangle$ 是对角矩阵.
_证明_.注意到
$$0 = \langle a''|[A, B]|a'\rangle = (a'' - a')\langle a''|B|a'\rangle$$
对于非对角元素 $\langle a''|B|a'\rangle$ 而言 $a' \ne a''$,因此该元素一定为零;因此 $\langle a''|B|a'\rangle$ 是对角矩阵.$\quad\square
定理 2 告诉我们,|a'\rangle 这一组基可以同时对角化可观测量 A, B,因此 |a'\rangle 也是 B 的本征右矢,其本征值为
b' = \langle a'|B|a'\rangle
所以,我们可以同时用两个本征值标记同一个本征向量:将 |a'\rangle 记作 |a', b'\rangle,我们得到
\begin{cases}A|a', b'\rangle = a'|a', b'\rangle \\ B|a', b'\rangle = b'|a', b'\rangle\end{cases}
很容易把上述讨论推广到存在多个互相相容的可观测量 A, B, C, \dots 的情形,这些可观测量满足:
[A, B] = [A, C] = [B, C] = \cdots = 0
如果这些可观测量的本征值能唯一地确定本征右矢,那么我们称其为一组 对易可观测量完备集 / 对易力学完全集(complete set of commuting observables, CSCO).
现在我们考虑对相容可观测量 A, B的测量,设 CSCO 里只需要包含这两个算子,我们不加证明地给出下列结论:对叠加态 |\alpha\rangle 进行一次 A 测量后,系统状态仍是叠加态:
\sum_{k=1}^n c_{a'}^{(i)} |a', b^{(i)}\rangle
现在我们考虑不相容可观测量,先从两个可观测量 $A, B$ 的情形入手.不相容可观测量没有共同本征右矢完备集,利用反证法,若 $|a', b'\rangle$ 是一组共同本征右矢完备集,那么:
$$[A, B]|a', b'\rangle = (b'a' - a'b')|a', b'\rangle = 0$$
由 $|a', b'\rangle$ 的完备性可知,$[A, B]$ 是零算符,$A, B$ 对易,这与条件矛盾.
但读者需要注意,右矢空间(Hilbert 空间)中可能存在一个子空间,在该子空间内 $[A, B]$ 就是零算符.或者说,$[A, B]$ 的零空间可能不是平凡的.
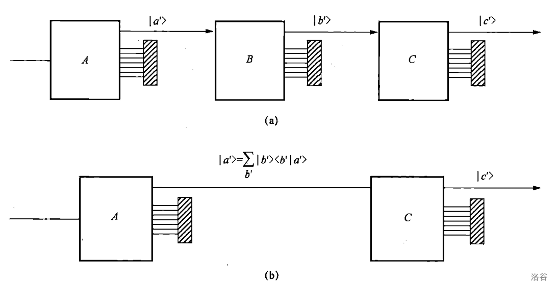
$A, B$ 不存在共同本征右矢完备集,这会带来什么有趣的结果?我们可以使用序列测量-选择实验揭示这一点(读者可以将其与序列 Stern-Gerlach 实验联系起来):

(a) 实验里,容易求出 $|a'\rangle$ 经过两次筛选的概率为
$$|\langle b'|a'\rangle|^2|\langle c'|b'\rangle|^2$$
现在我们对所有的 $|b'\rangle$ 求和,总概率为
$$\sum_{b'} |\langle b'|a'\rangle|^2|\langle c'|b'\rangle|^2$$
(b) 实验里,$|a'\rangle$ 经过筛选的概率为
$$|\langle c'|a'\rangle|^2$$
这两个概率并不相同:可以验证
$$P_{\textrm{(a)}} = \sum_{b'} \langle a'|b'\rangle \langle b'|a'\rangle \langle c'|b'\rangle \langle b'|c'\rangle$$
$$P_{\textrm{(b)}} = \sum_{b', b''} \langle a'|b'\rangle \langle b''|a'\rangle \langle c'|b'\rangle \langle b''|c'\rangle$$
但有趣的是,两种情况下,$|a'\rangle$ 都可以视作 $B$ 的本征右矢的线性组合:
$$|a'\rangle = \sum_{b'} |b'\rangle \langle b'|a'\rangle$$
对 $B$ 进行的测量,确实改变了物理系统通过 $C$ 筛选的概率.读者可以验证,只要 $[A, B] = 0$ 或 $[B, C] = 0$,两个概率就是相等的.上述实验的核心,正是不相容可观测量的特征.
现在我们讨论不确定性关系.相信对物理学史有所了解的同学都听说过这两个不等式:
$$\Delta x \Delta p \ge \frac{h}{4\pi}, \quad \Delta E \Delta t \ge \frac{h}{4\pi}$$
而我们将要完成的,正是为第一个不等式赋予严格的数学意义.对任意右矢 $|\alpha\rangle$ 与可观测量 $A$ 而言,首先定义一个算符
$$\Delta A = A - \langle A\rangle$$
其中 $\langle A\rangle$ 仅仅是一个将输入的右矢与 $\langle A\rangle$ 相乘的线性算符.不难发现,$\Delta A$ 平方的期望就是传统意义上的方差,但这里我们称其为 **弥散度(dispersion)、方差(variance)、均方偏差(mean square deviation)**:
$$\langle(\Delta A)^2\rangle = \langle A^2 - 2 A \langle A\rangle + \langle A\rangle^2\rangle = \langle A^2\rangle - \langle A\rangle^2$$
举个例子,读者可以尝试计算 $S_z+$ 态的 $S_z$ 弥散度与 $S_x$ 弥散度,结果分别是 $0$ 与 $\dfrac{\hbar^2}4$.
**引理 1**.Schwarz 不等式:对于两个非零右矢 $|\alpha\rangle, |\beta\rangle$,有
$$\langle\alpha|\alpha\rangle \langle\beta|\beta\rangle \ge |\langle\alpha|\beta\rangle|^2$$
_证明_.注意到,当 $\lambda\in\mathbb C$ 时必定有
$$(\langle\alpha| + \lambda^\ast \langle\beta|) \cdot (|\alpha\rangle + \lambda|\beta\rangle) \ge 0$$
取 $\lambda = -\dfrac{\langle\beta|\alpha\rangle}{\langle\beta|\beta\rangle}$,得到
$$\langle\alpha|\alpha\rangle \langle\beta|\beta\rangle - |\langle\alpha|\beta\rangle|^2 \ge 0$$
**引理 2**.Hermite 算符 $A$ 的期望值是实数.
_证明_.注意到 Hermite 算符的矩阵表示是共轭对称矩阵.
$$\begin{aligned}\langle\alpha|A|\alpha\rangle &= \sum_{i=1}^n\sum_{j=1}^n \langle\alpha|a^{(i)}\rangle\langle a^{(i)}|A|a^{(j)}\rangle\langle a^{(j)}|\alpha\rangle \\ &= \frac12\left(\sum_{i=1}^n\sum_{j=1}^n \langle\alpha|a^{(i)}\rangle\langle a^{(i)}|A|a^{(j)}\rangle\langle a^{(j)}|\alpha\rangle + \sum_{i=1}^n\sum_{j=1}^n \langle\alpha|a^{(j)}\rangle\langle a^{(j)}|A|a^{(i)}\rangle\langle a^{(i)}|\alpha\rangle\right) \\ &= \frac12\sum_{i=1}^n\sum_{j=1}^n \left(\langle\alpha|a^{(i)}\rangle\langle a^{(i)}|A|a^{(j)}\rangle\langle a^{(j)}|\alpha\rangle + \langle\alpha|a^{(j)}\rangle\langle a^{(j)}|A|a^{(i)}\rangle\langle a^{(i)}|\alpha\rangle\right) \\ &= \frac12\sum_{i=1}^n\sum_{j=1}^n \left[\langle\alpha|a^{(i)}\rangle\langle a^{(i)}|A|a^{(j)}\rangle\langle a^{(j)}|\alpha\rangle + \left(\langle\alpha|a^{(i)}\rangle\langle a^{(i)}|A|a^{(j)}\rangle\langle a^{(j)}|\alpha\rangle\right)^\ast\right]\in\mathbb R\end{aligned}$$
**引理 3**.若算符 $A$ 满足 $A^\dag = -A$,则称 $A$ 为 **反 Hermite 矩阵(non-Hermitian matrix)**.
_证明_.与引理 2 的证明思想一致,读者可尝试自行证明.
然后我们开始证明不确定性关系.若 $|\gamma\rangle$ 是任意右矢,我们设
$$|\alpha\rangle = \Delta A |\gamma\rangle, \quad |\beta\rangle = \Delta B |\gamma\rangle$$
利用 Schwarz 不等式,我们有(下式使用了 $\Delta A, \Delta B$ 的 Hermite 性质):
$$\langle (\Delta A)^2 \rangle \langle (\Delta B)^2 \rangle \ge |\langle \Delta A\Delta B \rangle|^2$$
注意到:
$$\Delta A\Delta B = \frac12[\Delta A, \Delta B] + \frac12\{\Delta A, \Delta B\}$$
容易验证:
$$[\Delta A, \Delta B] = [A, B]$$
那么
$$\langle \Delta A\Delta B \rangle = \frac12 \langle[A, B]\rangle + \frac12 \langle\{\Delta A, \Delta B\}\rangle$$
不难发现
$$[A, B]^\dag = (AB - BA)^\dag = BA - AB = -[A, B]$$
$$\{\Delta A, \Delta B\}^\dag = \{\Delta A, \Delta B\}$$
则
$$|\langle \Delta A\Delta B \rangle|^2 = \frac14 |\langle[A, B]\rangle|^2 + \frac14 |\langle\{\Delta A, \Delta B\}\rangle|^2 \ge \frac14 |\langle[A, B]\rangle|^2$$
这就是不确定性关系,我们将用上式推导出 $\Delta x \Delta p \ge \frac\hbar2$.
# 基变换
线性代数是研究线性变换的数学.所有线性变换中,有一类很重要:将一组基变为另一组基的变换.
**定理 3**.设 $\{|a^{(i)}\rangle\}, \{|b^{(i)}\rangle\}$ 是两组正交归一完备基,则存在算符 $U$ 使得:
$$|b^{(i)}\rangle = U|a^{(i)}\rangle$$
且 $U$ 具有 **幺正性(unitarity)**:$U^\dag U = U U^\dag = 1$.
_证明_.令
$$U = \sum_k |b^{(k)}\rangle\langle a^{(k)}|$$
验证工作留做习题.$\quad\square
算符 U 的矩阵表示是什么?是
\langle a^{(k)}|U|a^{(l)}\rangle = \langle a^{(k)}|b^{(l)}\rangle
研究完基向量的变换,我们就要考虑展开系数的变化,设
|\alpha\rangle = \sum_k |a^{(k)}\rangle\langle a^{(k)}|\alpha\rangle
在新基中,其展开系数为
\langle b^{(l)}|\alpha\rangle = \sum_k \langle b^{(l)}|a^{(k)}\rangle\langle a^{(k)}|\alpha\rangle = \sum_k \langle a^{(l)}|U^\dag|a^{(k)}\rangle\langle a^{(k)}|\alpha\rangle
或者说,|\alpha\rangle 的列向量表示满足:
新列向量 = U^\dag\ 旧列向量
同理,容易得到算符 X 的矩阵表示的变换方式为
\langle b^{(k)}|X|b^{(l)}\rangle = \sum_{m, n}\langle a^{(k)}|U^\dag|a^{(m)}\rangle \langle a^{(m)}|X|a^{(n)}\rangle \langle a^{(n)}|U|a^{(l)}\rangle
或者说
X' = U^\dag X U
熟悉线代的同学会想起上式正是相似变换,因为 U 具有幺正性.基变换前后,一个重要的不变量是矩阵的 迹(trace)
\operatorname{tr}(X) = \sum_{a'} \langle a'|X|a'\rangle
$$\begin{aligned}\sum_{a'} \langle a'|X|a'\rangle &= \sum_{a', b'} \langle a'|b'\rangle \langle b'|X|a'\rangle \\ &= \sum_{a', b'} \langle b'|X|a'\rangle \langle a'|b'\rangle \\ &= \sum_{b'} \langle b'|X|b'\rangle\end{aligned}$$
下面我们列出若干定理:
$$\begin{cases}\operatorname{tr}(XY) = \operatorname{tr}(YX) \\ \operatorname{tr}(U^\dag X U) = \operatorname{tr}(X) \\ \operatorname{tr}(|a'\rangle\langle a''|) = \delta_{a' a''} \\ \operatorname{tr}(|b'\rangle\langle a'|) = \langle a'|b'\rangle\end{cases}$$
**定理 4**.设 $\{|a^{(i)}\rangle\}, \{|b^{(i)}\rangle\}$ 是两组正交归一完备基,与变换算符 $U$,则 $A$ 的 **幺正变换(unitary
transform)** 是 $U A U^{-1}$;也称 $A$ 与 $U A U^{-1}$ 是 **幺正等价可观测量(unitary equivalent observables)**.此时有
$$U A U^{-1} |b^{(k)}\rangle = U A U^{-1} U |a^{(k)}\rangle = U A |a^{(k)}\rangle = a^{(k)} |b^{(k)}\rangle$$
即,$U A U^{-1}$ 与 $A$ 的本征值相同.
# 连续本征值 —— 位置、动量和平移
目前,我们只讨论过自旋 $\frac12$ 系统,其中 $S_z$ 的本征值是离散的——仅有 $\pm\frac\hbar2$.但我们也会遇到更复杂的可观测量,比如位置与动量.这些可观测量的本征值,显然是连续的实数.为了处理这些算符,数学家们发明了泛函分析与谱定理.但本文是一篇物理文章,不涉及这些深刻的数学.
许多离散本征值的结论可以直接套用到连续本征值系统中,但确实有一些结论不行.比如说,位置与动量算符属于无界算符,其定义域**不是**整个 Hilbert 空间,动量算符的本征态也**不在** Hilbert 空间中(此例为 $L^2(\mathbb R)$ 空间).尽管如此,下面这些替换通常不会带来风险:设 $\xi$ 是算符,则其本征方程写作
$$\xi|\xi'\rangle = \xi'|\xi'\rangle$$
其中 $\xi'$ 只是一个数.然后只需要把求和换成积分,把 $\delta_{a' a''}$ 换成 $\delta(\xi' - \xi'')$,即可得到
1. $\langle a'|a''\rangle = \delta_{a' a''}$ 替换为 $\langle \xi'|\xi''\rangle = \delta(\xi' - \xi'')$,其中 $\delta(x)$ 是 [Kronecker 函数](https://baike.baidu.com/item/%E5%85%8B%E7%BD%97%E5%86%85%E5%85%8B%E5%87%BD%E6%95%B0/5760735);
2. $\sum_{a'} \langle a'|a'\rangle = 1$ 替换为 $\int\mathrm d\xi' \langle \xi'|\xi'\rangle = 1$(物理学家有时喜欢把 $\mathrm d$ 放前面);
3. $|\alpha\rangle = \sum_{a'} |a'\rangle \langle a'|\alpha\rangle$ 替换为 $|\alpha\rangle = \int\mathrm d\xi' |\xi'\rangle \langle\xi'|\alpha\rangle$;
4. $\sum_{a'} |\langle a'|\alpha\rangle|^2 = 1$ 替换为 $\int\mathrm d\xi' |\langle\xi'|\alpha\rangle|^2 = 1$;
5. $\langle\beta|\alpha\rangle = \sum_{a'} \langle\beta|a'\rangle\langle a'|\alpha\rangle$ 替换为 $\langle\beta|\alpha\rangle = \int\mathrm d\xi' \langle\beta|\xi'\rangle\langle\xi'|\alpha\rangle$;
5. $\langle a''|A|a'\rangle = a' \delta_{a' a''}$ 替换为 $\langle\xi''|\xi|\xi'\rangle = \xi' \delta(\xi' - \xi'')$.
有了这些准备,我们引入位置算符 $x$,其本征右矢满足
$$x|x'\rangle = x'|x'\rangle$$
$x'$ 的量纲为长度.通常假设 $|x'\rangle$ 构成正交归一完备基.那么 $|\alpha\rangle$ 的展开就是:
$$|\alpha\rangle = \int\mathrm dx' |x'\rangle \langle x'|\alpha\rangle$$
接下来我们先推广测量公理,对连续可观测量的测量只能将粒子定位在某个区间 $[l, r]$ 内,则对 $|\alpha\rangle$ 进行 $x$ 测量后,发生这种情况的概率是
$$\int_l^r\mathrm dx' |\langle x'|\alpha\rangle|^2$$
实际上,函数 $\psi(x') = \langle x'|\alpha\rangle$ 就是 $|\alpha\rangle$ 的 **波函数(wave function)**.但这时我们不需要处理这个概念.
真实粒子位于 $(-\infty, \infty)$ 内的概率为 $1$,由此可得归一化条件:
$$\int_{-\infty}^\infty\mathrm dx' |\langle x'|\alpha\rangle|^2 = \langle\alpha|\alpha\rangle = 1$$
现在我们加入空间的维度,众所周知宏观空间维度有 $3$ 个,分别对应 $x, y, z$(或写作 $x_1, x_2, x_3$),此处我们需要假设:
$$[x_i, x_j] = 0$$
由此可知,$x, y, z$ 有本征右矢完备集,我们用 $x', y', z'$ 标记这些本征右矢:
$$\begin{cases}x|x', y', z'\rangle = x'|x', y', z'\rangle \\ y|x', y', z'\rangle = y'|x', y', z'\rangle \\ z|x', y', z'\rangle = z'|x', y', z'\rangle\end{cases}$$
有时我们也把 $|x', y', z'\rangle$ 简写成 $|\mathbf{x}'\rangle$.
动量与位置有千丝万缕的联系,但我们先研究另一种算符——无穷小平移算符 $T(\mathrm d\mathbf{x}')$,其中 $\mathrm d\mathbf{x}'$ 是无穷小平移向量,因此计算中我们可以忽略其二阶项.学过分析力学的同学应该知道为什么我们要这么做([动量是平移的生成元](https://zhuanlan.zhihu.com/p/84531862)).
平移算符 $T(\mathrm d\mathbf{x}')$ 能将物理态 $|\mathbf x'\rangle$ 平移 $\mathrm d\mathbf{x}'$,也就是说:
$$T(\mathrm d\mathbf{x}') |\mathbf x'\rangle = |\mathbf x' + \mathrm d\mathbf{x}'\rangle$$
由此可以推导出:
$$T(\mathrm d\mathbf{x}') |\alpha\rangle = \int\mathrm d^3\mathbf{x}' |\mathbf x' + d\mathbf{x}'\rangle \langle\mathbf{x}'|\alpha\rangle$$
积分区域为全空间.现在我们来猜一猜平移算符的形式,为此,先找出平移算符的性质.第一个限制来自归一化条件,平移前后概率守恒,或者说:
$$\langle\alpha|\alpha\rangle = \langle\alpha|T^\dag(\mathrm d\mathbf{x}')T(\mathrm d\mathbf{x}')|\alpha\rangle$$
但此时,我们要求更强的条件必须成立——$T(\mathrm d\mathbf{x}')$ 是幺正算符:
$$T^\dag(\mathrm d\mathbf{x}') T(\mathrm d\mathbf{x}') = 1$$
第二个限制是封闭性:连续两次平移 $\mathrm d\mathbf{x}'$ 与 $\mathrm d\mathbf{x}''$ 可以合成一次移动 $\mathrm d\mathbf{x}' + \mathrm d\mathbf{x}''$,或者说
$$T(\mathrm d\mathbf{x}'') T(\mathrm d\mathbf{x}') = T(\mathrm d\mathbf{x}' + \mathrm d\mathbf{x}'')$$
第三个条件是单位元:
$$T(\mathbf{0}) = 1$$
由此我们猜测,
$$T(\mathrm d\mathbf{x}') = 1 - \mathrm i\mathbf{K}\cdot\mathrm d\mathbf{x}'$$
其中 $\mathbf{K}$ 的分量 $K_x, K_y, K_z$ 都是 Hermite 算符,我们将验证工作交给读者完成(希望了解如何猜出这个形式的读者可参考 [该知乎问题](https://www.zhihu.com/question/64673548)).注意到:
$$[\mathbf{x}, T(\mathrm d\mathbf{x}')] |\mathbf{x}'\rangle = \mathrm d\mathbf{x}'|\mathbf{x}' + \mathrm d\mathbf{x}'\rangle = \mathrm d\mathbf{x}'T(\mathrm d\mathbf{x}')|\mathbf{x}'\rangle$$
因此:
$$[\mathbf{x}, T(\mathrm d\mathbf{x}')] = \mathrm d\mathbf{x}'T(\mathrm d\mathbf{x}')$$
$$-\mathrm i\mathbf{xK}\cdot\mathrm d\mathbf{x}' + \mathrm i\mathbf{K}\cdot\mathrm d\mathbf{x}'\mathbf{x} = \mathrm d\mathbf{x}'(1 - \mathrm i\mathbf{K}\cdot\mathrm d\mathbf{x}')$$
忽略 $d\mathbf{x}'$ 的二阶项,写出分量式,我们得到:
$$[x_i, K_j] = \mathrm i\delta_{i j}$$
式中 $i, j$ 表示指标,$\mathrm i$ 表示虚数单位.然后,我们不加证明地假设(这样做的理由也可参考 [知乎问题](https://www.zhihu.com/question/64673548)):
$$\mathbf{K} = \frac{\mathbf{p}}{\hbar}$$
于是,$\mathbf{x}$ 与 $\mathbf{K}$ 的对易关系变为
$$[x_i, p_j] = \mathrm i\hbar \delta_{i j}$$
还记得我们推导出的不确定性关系吗?由不确定性关系可得 **位置-动量不确定性关系**
$$\langle (\Delta x)^2 \rangle \langle (\Delta p)^2 \rangle \ge \frac{\hbar^2}4$$
如果我们令 $\Delta x = \sqrt{\langle (\Delta x)^2 \rangle}, \Delta p = \sqrt{\langle (\Delta p)^2 \rangle}$(原谅我们的 abuse of notation),并代入 $\hbar = \frac h{2\pi}$,就可以得到更为人熟知的形式:
$$\Delta x \Delta p \ge \frac{h}{4\pi}$$
接下来我们将无限小平移推广至有限平移,我们将有限平移均分成 $N$ 次无限小平移,然后取 $N\to\infty$ 的极限:
$$T(\Delta x\hat{\mathbf{x}}) = \lim_{N\to\infty}\left(1 - \frac{\mathrm ip_x\Delta x'}{N\hbar}\right)^N = \exp\left(-\frac{\mathrm ip_x\Delta x'}{\hbar}\right)$$
其中 $\exp$ 是作用于算符上的函数,定义为(该定义有不严谨之处,见 [该知乎问题](https://www.zhihu.com/question/1921263760313651471)):
$$\exp X = e^X = \sum_{k=0}^\infty \frac{X^k}{k!}$$
我们已经求出了 $[x_i, x_j], [x_i, p_j]$,下面应该考虑 $[p_i, p_j]$,为此,考虑两次连续的平移操作:
$$T(\Delta y\hat{\mathbf{y}}) T(\Delta x\hat{\mathbf{x}}), \quad T(\Delta x\hat{\mathbf{x}}) T(\Delta y\hat{\mathbf{y}})$$
根据经验,这两个算符应该都等于 $T(\Delta x\hat{\mathbf{x}} + \Delta y\hat{\mathbf{y}})$,因此:
$$T(\Delta y\hat{\mathbf{y}}) T(\Delta x\hat{\mathbf{x}}) = T(\Delta x\hat{\mathbf{x}}) T(\Delta y\hat{\mathbf{y}})$$
所以我们考虑二者的对易子,展开到二阶就可以获得我们需要的结论:
$$\begin{aligned}[T(\Delta x\hat{\mathbf{x}}), T(\Delta y\hat{\mathbf{y}})] &= \left[1 - \frac{\mathrm ip_x\Delta x'}\hbar - \frac{p_x^2\Delta x'^2}{2\hbar^2}+\cdots, 1 - \frac{\mathrm ip_y\Delta y'}\hbar - \frac{p_y^2\Delta y'^2}{2\hbar^2}+\cdots\right] \\ &\approx -\frac{\Delta x'\Delta y'[p_x, p_y]}{\hbar^2}\end{aligned}$$
因此 $[p_x, p_y] = 0$,不难将其推广为:
$$[p_i, p_j] = 0$$
因此,我们可以定义动量本征态:
$$|\mathbf{p}'\rangle = |p_x, p_y, p_z\rangle$$
有趣的是,我们容易证明
$$[\mathbf{p}, T(\mathrm d\mathbf{x}')] = 0$$
因此 $|\mathbf{p}'\rangle$ 是 $T(\mathrm d\mathbf{x}')$ 的本征态:
$$T(\mathrm d\mathbf{x}')|\mathbf{p}'\rangle = \left(1 - \frac{\mathrm i\mathbf{p}'\cdot\mathrm d\mathbf{x}'}{\hbar}\right)|\mathbf{p}'\rangle$$
# 位置空间与动量空间之间的基变换
我们前文提过,若以 $|x'\rangle$ 为一组基,$|\alpha\rangle$ 的展开系数就是大名鼎鼎的波函数,或者更准确地说,**位置空间波函数**:
$$\psi_\alpha(x') = \langle x'|\alpha\rangle$$
波函数有特殊的应用价值,量子力学中经常需要求出 $\langle\beta|A|\alpha\rangle$ 的表达式:
$$\langle\beta|A|\alpha\rangle = \int\mathrm dx'\int\mathrm dx'' \psi_\beta^\ast(x'')\langle x''|A|x'\rangle\psi_\alpha(x')$$
如果 $A = f(x)$,显然有 $\langle x''|A|x'\rangle = f(x')\delta(x' - x'')$,就可以将上式变为单变量积分
$$\langle\beta|A|\alpha\rangle = \int\mathrm dx'\int \psi_\beta^\ast(x') f(x') \psi_\alpha(x')$$
现在我们试图求出位置基底中动量算符的表示,为此,我们从平移算符出发:设 $\Delta x'$ 是无穷小量,则
$$\begin{aligned}\left(1-\frac{\mathrm ip\Delta x'}\hbar\right)|\alpha\rangle = T(\Delta x')|\alpha\rangle &= \int\mathrm dx'|x'+\mathrm dx'\rangle\langle x'|\alpha\rangle \\ &= \int\mathrm dx'|x'\rangle\langle x'-\mathrm dx'|\alpha\rangle \\ &= \int\mathrm dx'|x'\rangle\left(\langle x'|\alpha\rangle - \Delta x'\frac{\partial}{\partial x'}\langle x'|\alpha\rangle\right)\end{aligned}$$
由此可得
$$p|\alpha\rangle = \int\mathrm dx'|x'\rangle\left(-\mathrm i\hbar\frac{\partial}{\partial x'}\langle x'|\alpha\rangle\right)$$
$$\langle x'|p|x''\rangle = -\mathrm i\hbar\frac{\partial}{\partial x'}\delta(x' - x'')$$
$$\langle\beta|p|\alpha\rangle = \int\mathrm dx'\psi_\beta^\ast(x')\left(-\mathrm i\hbar\frac{\partial}{\partial x'}\right)\psi_\alpha(x')$$
$$\langle x'|p^n|\alpha\rangle = (-\mathrm i\hbar)^n\frac{\partial^n}{\partial x'^n}\langle x'|\alpha\rangle$$
除了选择位置基底,我们还可以选择动量基底展开 $|\alpha\rangle$,以得到另一种波函数:
$$|\alpha\rangle = \int\mathrm dp'|p'\rangle\langle p'|\alpha\rangle$$
$$\phi_\alpha(p') = \langle p'|\alpha\rangle$$
我们希望,$|\alpha\rangle$ 在两种基底中能同时归一化,这等价于
$$\int\mathrm dp'|\langle p'|\alpha\rangle|^2 = \int\mathrm dx'|\langle x'|\alpha\rangle|^2$$
为了建立 $x, p$ 基底的联系,我们需要求出幺正变换矩阵 $U$ 的矩阵元 $\langle x'|p'\rangle$,只需注意到:
$$p'\langle x'|p'\rangle = \langle x'|p|p'\rangle = -\mathrm i\hbar\frac{\partial}{\partial x'}\langle x'|p'\rangle$$
解上述微分方程,得到
$$\langle x'|p'\rangle = C\exp\left(\frac{\mathrm ip'x'}{\hbar}\right)$$
其中 $C$ 是归一化常数.考虑一个简单的情形即可求出 $C$:
$$\begin{aligned}\langle x'|x''\rangle &= \int\mathrm dp'\langle x'|p'\rangle\langle p'|x''\rangle \\ &= |C|^2 \int\mathrm dp' \exp\left[\frac{\mathrm ip'(x' - x'')}\hbar\right] \\ &= |C|^2\cdot2\pi\hbar \delta(x' - x'')\end{aligned}$$
由 $\langle x'|x''\rangle = \delta(x' - x'')$ 可得 $2\pi\hbar|N|^2 = 1$,按惯例我们取 $C$ 为正实数,可得
$$\langle x'|p'\rangle = \frac1{\sqrt{2\pi\hbar}}\exp\left(\frac{\mathrm ip'x'}{\hbar}\right)$$
上述推到中使用了恒等式:
$$\int_{-\infty}^\infty e^{\mathrm ikx}\mathrm dx = 2\pi\delta(k)$$
其推导可见 [该知乎问题](https://www.zhihu.com/question/305060071).由此,我们可以得到位置空间波函数、动量空间波函数之间的关系:
$$\psi_\alpha(x') = \frac1{\sqrt{2\pi\hbar}}\int\mathrm dp'\exp\left(\frac{\mathrm ip'x'}{\hbar}\right)\phi_\alpha(p')$$
$$\phi_\alpha(p') = \frac1{\sqrt{2\pi\hbar}}\int\mathrm dx'\exp\left(-\frac{\mathrm ip'x'}{\hbar}\right)\psi_\alpha(x')$$
正是连续函数的 **Fourier 变换**.
# 量子态随时间的演化——Schrödinger 方程
终于,我们来到了本文的最后一部分——Schrödinger 方程.Schrödinger 方程描述量子态随时间的演化.
假设 $t_0$ 时刻,系统状态为 $|\alpha\rangle$,我们想求出该系统在 $t>t_0$ 时刻的状态.这种变换由时间演化算符 $U(t, t_0)$ 描述:
$$|\alpha, t_0; t\rangle = U(t, t_0) |\alpha, t_0\rangle$$
其中 $t_0$ 表示 $|\alpha\rangle$ 是系统在 $t_0$ 时刻的状态,而非 $t$ 时刻,$U(t, t_0)$ 算符作用于 $t_0$ 时刻的右矢,将其变为 $t$ 时刻的右矢.
经典力学告诉我们,动量生成无穷小位置平移,Hamilton 量 $H$(可以理解成能量)生成无穷小时间平移.因此我们猜测:若 $\mathrm dt$ 是无穷小量,则
$$U(t_0 + \mathrm dt, t_0) = 1 - \frac{\mathrm iH(t_0)\mathrm dt}{\hbar}$$
Hamilton 量可能与时间 $t$ 有关,所以我们写成 $H(t_0)$.将其作用于右矢 $|\alpha, t_0\rangle$,可得:
$$|\alpha, t_0; t_0 + \mathrm dt\rangle = \left(1 - \frac{\mathrm iH(t_0)\mathrm dt}{\hbar}\right) |\alpha, t_0\rangle$$
$$|\alpha, t_0\rangle + \mathrm dt\frac{\partial}{\partial t}|\alpha, t_0; t\rangle = \left(1 - \frac{\mathrm iH(t_0)\mathrm dt}{\hbar}\right) |\alpha, t_0\rangle$$
$$\mathrm i\hbar\frac{\partial}{\partial t}|\alpha, t_0; t\rangle = H(t_0) |\alpha, t_0\rangle$$
上式描述了 $t_0$ 瞬间,量子态的演化,将其推广到所有时刻,可得
$$\mathrm i\hbar\frac{\partial}{\partial t}|\alpha, t\rangle = H(t) |\alpha, t\rangle$$
上式中,$|\alpha, t\rangle$ 就表示 $t$ 时刻系统的状态.在 Schrödinger 方程适用的情形中,$H(t)$ 具有如下形式:
$$H(t) = T + V = \frac{p^2}{2m} + U(x, t)$$
其中第一项是动能项 $T$,第二项是势能项 $V$,需要指出,第二项 $U(x, t)$ 应当视作一族关于算符 $x$ 的函数.因此:
$$\mathrm i\hbar\frac{\partial}{\partial t}\langle x'|\alpha, t\rangle = \langle x'|H(t)|\alpha, t\rangle = \langle x'|\frac{p^2}{2m} + U(x, t)|\alpha, t\rangle$$
接下来,使用上文的结论,可得:
$$\mathrm i\hbar\frac{\partial}{\partial t}\langle x'|\alpha, t\rangle = -\frac{\hbar^2}{2m}\frac{\partial^2}{\partial x'^2}\langle x'|\alpha, t\rangle + U(x', t) \langle x'|\alpha, t\rangle$$
若将 $\langle x'|\alpha, t\rangle$ 写作波函数 $\psi(x', t)$,上式变为
$$\mathrm i\hbar\frac{\partial}{\partial t}\psi(x', t) = -\frac{\hbar^2}{2m}\frac{\partial^2}{\partial x'^2}\psi(x', t) + U(x', t) \psi(x', t)$$
这便是 **一维含时 Schrödinger 方程**.不难将其推广到三维情形:
$$\mathrm i\hbar\frac{\partial}{\partial t}\psi(\mathbf{x}', t) = -\frac{\hbar^2}{2m}\nabla'^2\psi(\mathbf{x}', t) + U(\mathbf{x}', t) \psi(\mathbf{x}', t)$$
其中
$$\nabla'^2 = \frac{\partial^2}{\partial x'^2} + \frac{\partial^2}{\partial y'^2} + \frac{\partial^2}{\partial z'^2}$$
为 Laplace 算符.
感谢你读到这里,现在你已经知道了 Schrödinger 方程背后的物理意义.